Recherchez sur le site !
Recherche avancée / SpécifiqueCatégories publications
+ Sciences De La Terre - Archéologie - Astronomie - Spéléologie - Ecologie - Pédologie - Volcanologie - L'hydrogéologie - Géomorphologie - Minéralogie - Pétrologie - Paléontologie - Géologie + Climatologie - Réchouffement climatique - Changement climatique + Plantes - Plantes Aromatiques - Plantes médicinales + Zoologie - Faunes + Botanique - Flors + Sciences humaines - Géo Eco Tourisme - L’anthropologie - L'Histoire - Démographie - Sociologie - Géographie - Patrimoine culturel
Géo éco tourisme inclusif

Géoparc et Recherche Scientifique
Le coins de l’étudiant



Blog Géoparc Jbel Bani

Découverte d'un système hydrothermal océanique fossile dans l'ophiolite antécambrienne de Khzama (massif du Siroua, Anti-Atlas marocain)
Découverte d'un système hydrothermal océanique fossile dans l'ophiolite antécambrienne de Khzama (massif du Siroua, Anti-Atlas marocain) Discovery of a fossil oceanic hydrothermal system in the Late Precambrian Khzama ophiolite (Siroua massif, Anti-Atlas range, Morocco) Hassan Admoua Département des sciences de la Terre, faculté des sciences Semlalia, Université Ca
Savoir plus...
Les granitoïdes paléoprotérozoïques des boutonnières du Bas Drâa et de la Tagragra d'Akka (Anti-Atlas occidental, Maroc) : un élément du puzzle géodynamique du craton ouest-africain
Les granitoïdes paléoprotérozoïques des boutonnières du Bas Drâa et de la Tagragra d'Akka (Anti-Atlas occidental, Maroc) : un élément du puzzle géodynamique du craton ouest-africain (Palæoproterozoic granitoids from the Bas Drâa and Tagragra d'Akka Inliers [western Anti-Atlas, Morocco]: part of the jigsaw puzzle concerning the West African Craton) A.
Savoir plus...
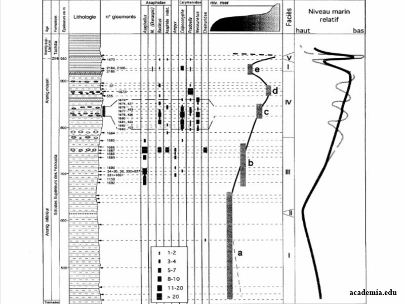
Le modèle des biofaciès à Trilobites : un test dans l'Ordovicien inferieur de l'Anti-Atlas, Maroc
Le modèle des biofaciès à Trilobites : un test dans l'Ordovicien inferieur de l'Anti-Atlas, Maroc Muriel Vidal Géosciences, UPR 4661, université de Rennes I, 35042 Rennes cedex, France Abstract- The faunal analysis of the Upper Fezouata Shales Formation (Arenig, central Anti-Atlas, Morocco) shows five distinct associations, one of graptolites and four of trilobite
Savoir plus...
Une extinction d’espèces pas si brutale: ce que révèlent des fossiles identifiés à Taroudant
Une fenêtre unique sur la vie ancienne au Maroc, montrant la coexistence d'invertébrés datant d'environ 539 millions d'années avec la faune d’Édiacara On pensait que les formes de vie anciennes de l’Édiacarien avaient complètement disparu avant l’arrivée des animaux complexes du Cambrien. Mais, une découverte dans la région de Taroudant montre qu
Savoir plus...
QEULQUES ASPECTS DU GEOPATRIMOINE DE L’EXTREMITE ORIONTALE DE L’ANTI ATLAS MAROCAIN
QEULQUES ASPECTS DU GEOPATRIMOINE DE L’EXTREMITE ORIONTALE DE L’ANTI ATLAS MAROCAIN Par EL HAMZAOUI Omar 1, HESSANE Mohamed Abdelbasset 2, KARRAT L’houcine 3 & GOURARI Lahcen 4 Université Sidi Mohammed Ben Abdellah, Faculté des Sciences Dhar El Mehraz, B.P.1796 Fès Atlas, Fès Maroc E-mail1: elhamzaouielhamzaoui@yahoo.fr; E-mail2: hessane@yahoo.fr; E-mail3: karratl@yahoo.fr; E-ma
Savoir plus...
LES MONUMENTS GEOLOGIQUES DU SUD MAROCAIN LA MEDUSE DE MASMOUDA
LES MONUMENTS GEOLOGIQUES DU SUD MAROCAIN LA MEDUSE DE MASMOUDA Par FADLI Driss 1, DI GREGORIO Felice 2, ZAHRAOUI Mohamed 3 & ALDIGIERI Barbara 4 1-3 Laboratoire de géologie appliqué, Université Mohammed V Agdal, Rabat, Maroc, 2 Dipartimento de Science de la Terre, Université de Cagliari, Italie, 4 Istituto per la Dinamica dei Processi Ambientali CNR-IDPA - Milan, Italie, E-mail1: dfadli@yahoo.fr, E
Savoir plus...
CONTRIBUTION AU DEVELOPPEMENT DE BASES DE DONNEES POUR LES GISEMENTS FOSSILIFERES DE LA REGION SOUSS-MASSA-DRAA
CONTRIBUTION AU DEVELOPPEMENT DE BASES DE DONNEES POUR LES GISEMENTS FOSSILIFERES DE LA REGION SOUSS-MASSA-DRAA Par ZILI Lamia, BOUAB Badia, EL WARTITI Mohamed, FADLI DRISS, FATIMA ZAHRA Nahraoui & SANA Dabi 1Université Mohammed V – Agdal, Faculté des Sciences, Département des Sciences de la Terre, Av. Ibn Batouta, B.P. 1014 R.P. Rabat. E-mail : lamia_2b@yahoo.fr Mots clés : Maroc
Savoir plus...LES "CŒURS" DE TATA ET LEURS DÉRIVÉES : GÉOMORPHOSITES EMBLÉMATIQUES POUR UN GÉOTOURISME INCONTOURNABLE DU SUD MAROCAIN
LES "CŒURS" DE TATA ET LEURS DÉRIVÉES : GÉOMORPHOSITES EMBLÉMATIQUES POUR UN GÉOTOURISME INCONTOURNABLE DU SUD MAROCAIN Par FADLI Driss Faculté des Sciences de l’Université Mohammed V Agdal, Rabat. E-mail: dfadli@yahoo.fr La région de Tata se situe dans la zone présaharienne du sud marocain. En empruntant les principaux circuits routiers de cette
Savoir plus...
MYSTERES DU SUD : Alnif Cumin henné géologie - AP66
MYSTERES DU SUD : Alnif Cumin henné géologie - AP66 AGADIR PREMIERE N°66 MYSTÈRES DU SUD Avec simone.benhassi@gmail.com – Tél. : 06 67 49 22 02 BALADE AU PAYS DU CUMIN ET DU HENNÉ 1 DANS LA RÉGION DE N’KOB, TAZZARINE, ALNIF Situé dans la Région Drâa-Tafilalet au sud-est marocain, le territoire de N’Kob-Tazzarine-Alnif est particuli&egra
Savoir plus...
Le Cambro-Ordovicien de l’Anti-Atlas marocain (Géoparc Jbel Bani)
Le Cambro-Ordovicien de l’Anti-Atlas marocain (Géoparc Jbel Bani) Par Yves Fouquet Voilà déjà soixante-dix ans, que la géologie du Maroc, complexe et variée, connaît un véritable essor (1952-2020). Dévoilant les mystères du passé d’un pays situé au nord-ouest d’un vieux continent, le Maroc, pays carrefour des civilisations, est aussi la
Savoir plus...
Le graben de l'Anti-Atlas occidental (Maroc) : contrôle tectonique de la paléogéographie et des séquences au Cambrien inférieur (Géoparc Jbel Bani)
Le graben de l'Anti-Atlas occidental (Maroc) : contrôle tectonique de la paléogéographie et des séquences au Cambrien inférieur (Géoparc Jbel Bani) The Lower-Cambrian western Anti-Atlasic graben: tectonic control of palaeogeography and sequential organisation (Géoparc Jbel Bani) Présenté par Michel Durand-Delga ; Mohammed Benssaoua ; Naı̈ma Hamoumi Département
Savoir plus...
Le patrimoine naturel - géologique et oasien - au service du développement géotouristique dans la province de Sidi Ifni et son arrière-pays oasien (Maroc) (Géoparc Jbel Bani)
Le patrimoine naturel - géologique et oasien - au service du développement géotouristique dans la province de Sidi Ifni et son arrière-pays oasien (Maroc) (Géoparc Jbel Bani) Siham Albab, Abdelkrim Ezaidi, Mohamed Benssaou, Belkacem Kabbachi Résumé Milieux fragiles, les oasis de l'Anti-Atlas occidental recèlent des richesses de biodiversité et de géodiversit&ea
Savoir plus...Aerial interference of Hercynian folds and their morphological peculiarities in the Géoparc Jbel Bani of southern Morocco (Géoparc Jbel Bani)
Aerial interference of Hercynian folds and their morphological peculiarities in the Géoparc Jbel Bani of southern Morocco (Géoparc Jbel Bani) By Sanae Berred & Driss Fadli & Khadija Berred Received: 12 September 2018 /Accepted: 16 May 2019 # Saudi Society for Géosciences 2019 Abstract The Géoparc Jbel Bani of southern Morocco belongs to the chain of Anti-Atlas; it is characterized by a very h
Savoir plus...Geomorphosites of the Semi-arid Tata Region: Valorization of an Unknown Geoheritage for Geotourism Sustainable Development (Anti-Atlas, South Morocco) (Géoparc Jbel Bani)
Geomorphosites of the Semi-arid Tata Region: Valorization of an Unknown Geoheritage for Geotourism Sustainable Development (Anti-Atlas, South Morocco) (Géoparc Jbel Bani) Sanae Berred & Driss Fadli & Mohammed El Wartiti & Mohammed Zahraoui & Khadija Berred & Ridouane Sadki Received: 7 February 2019 /Accepted: 24 September 2019 #the European Association for Conservation of the Geological Heritage 2019 Abs
Savoir plus...
THE PRECAMBRIAN OF THE ANTI-ATLAS (MOROCCO): A GEOCHRONOLOGICAL SYNTHESIS (Géoparc Jbel Bani)
THE PRECAMBRIAN OF THE ANTI-ATLAS (MOROCCO): A GEOCHRONOLOGICAL SYNTHESIS (Géoparc Jbel Bani) Par RENE CHARLOT Centre Armoricain d'Etude Structurale des Socles, Institut de Géologie, Université de Rennes (France) (Received May 30, 1975; revision accepted August 19, 1975) ABSTRACT Charlot, R., 1976. The Precambrian of the Anti-Atlas (Morocco): a Geochronological synthesis. Precambrian Res., 3: 273--299.
Savoir plus...Problème de la limite Précambrien-Cambrien: étude radiochronologiques par la méthode U-Pb sur zircons du volcan du Jbel Boho (Anti-Atlas marocain) Géoparc Jbel Bani
Problème de la limite Précambrien-Cambrien: étude radiochronologiques par la méthode U-Pb sur zircons du volcan du Jbel Boho (Anti-Atlas marocain) Géoparc Jbel Bani Par J. DUCROT ET J. R. LANCELOT Service de Géochronologie et de Géochimie Isotopique, Centre Géologique et Géophysique - U.S.T.L., Place E. Bataillon, 34060 Montpellier Cedex, France Rue le 23 novembre, 197
Savoir plus...
Patrimoine géologique marocain et développement durable : l’exemple du Dévonien du Tafilalt, Anti-Atlas oriental
Patrimoine géologique marocain et développement durable : l’exemple du Dévonien du Tafilalt, Anti-Atlas oriental Par : Ahmed El Hassani et Sarah Aboussalam et Thomas Becker et Mohamed El Wartiti et Farah El Hassani Introduction La notion de patrimoine géologique dérive de la notion de patrimoine naturel qui reconnaît que des éléments de la natur
Savoir plus...
Le colloque international sur la thématique Patrimoine et Territoire Donnes identitaires et enjeux compétitifs les 16-17 Mars 2018 à l’Université Cadi Ayyad-Marrakech « La patrimonialisation participative rapportée aux territoires Vecteur de croissance Ca
Le colloque international sur la thématique Patrimoine et Territoire Donnes identitaires et enjeux compétitifs les 16-17 Mars 2018 à l’Université Cadi Ayyad-Marrakech « La patrimonialisation participative rapportée aux territoires Vecteur de croissance Cas du Géoparc Jbel Bani-Sud Maroc » Patrick SIMON Président de l’AMDGJB (Association Marocaine de Développ
Savoir plus...
An Inventory of Geoheritage Sites in the Draa Valley (Morocco): a Contribution to Promotion of Geotourism and Sustainable Development
An Inventory of Geoheritage Sites in the Draa Valley (Morocco): a Contribution to Promotion of Geotourism and Sustainable Development By Mohamed Beraaouz1 & John Macadam & Lhoussaine Bouchaou & Moha Ikenne & Richard Ernst & Tarik Tagma & Moussa Masrour Abstract This study describes the geoheritage sites in the Draa valley between Ouarzazate and M’Hamid in south-eastern Morocco. This area is remarka
Savoir plus...
The Tasrirt structure (Kerdous inlier, Western Anti-Atlas, Morocco): a late Pan-African transtensive dome
The Tasrirt structure (Kerdous inlier, Western Anti-Atlas, Morocco): a late Pan-African transtensive dome Par A. Soulaimani, A. Pique´ Faculté´ des Sciences Semlalia, Laboratoire de Ge´ologie Structurale, B.P. 2390 Marrakech, Morocco Institut universitaire europe´en de la mer, Universite´ de Bretagne occidentale, 29280 Plouzané´, Brest, France Avalable online 15 September 20
Savoir plus...
The Moroccan Hercynides
The Moroccan Hercynides By Christian Hoepffner, Abderahmane Soulaimani, Alain Pique Department of Geology, Faculty of Sciences, University Mohammed V, B.P. 1014 Rabat, Morocco Department of Geology, Faculty of Sciences, University Cadi Ayad, B.P. S 20, Marrakech, Morocco 21 Rd Point de l’Esplanade, 67 000, Strasbourg, France Received 5 April 2004; accepted 18 July 2005 Available online 18 November 2005 Abstract I
Savoir plus...
Les marqueurs structuraux et magmatiques de l’extension crustale au Protérozoïque terminal–Cambrien basal autour du massif de Kerdous (Anti-Atlas occidental, Maroc)
Les marqueurs structuraux et magmatiques de l’extension crustale au Protérozoïque terminal–Cambrien basal autour du massif de Kerdous (Anti-Atlas occidental, Maroc) Par Abderrahmane Soulaimani, Abderrahim Essaifi, Nassrddine Youbi, Ahmid Hafid Laboratoire de géologie structurale et de pétrologie, faculté des sciences, BP 2390, Marrakech, Maroc Laboratoire de pétrologie, facult&eacu
Savoir plus...
MASSIF DU SIROUA Hassan ADMOU & Abderrahmane SOULAIMANI
MASSIF DU SIROUA Hassan ADMOU & Abderrahmane SOULAIMANI Université Cadi Ayyad Faculté des Sciences Semlalia de Marrakech Socle panafricain, dépôts crétacés discordants et volcan néogène 2 jours, 200 km Présentation géographique Points clés : Ce circuit (fig. 1) fait découvrir l&rsquo
Savoir plus...
MASSIF DU SIROUA
MASSIF DU SIROUA H. ADMOU & A. SOULAIMANI Structure géologique Le Massif du Siroua a été visité au début du XXème siècle par L. Gentil (1905). Il se situe dans la zone centrale de l'Anti-Atlas (fig. 1-1) et appartient au domaine néoprotérozoïque panafricain. Il est formé d'un socle panafricain et d'une couverture volcanique du Néoprot&e
Savoir plus...
GEODYNAMIC EVOLUTION OF THE PAN-AFRICAN OROGENY
GEODYNAMIC EVOLUTION OF THE PAN-AFRICAN OROGENY Prof. Hervé Rezeau, Prof. Cyril Chelle-Michou & Prof. Michael Calder SEG Student Chapter of Geneva (Switzerland) SEG Student Chapter of Montpellier (France) Recent studies (mainly Gasquet et al. 2005) give more informations about the Anti-Atlas be
Savoir plus...
A plate tectonic evolution of the Anti-Atlas on a global scale DR.Hervé Rezeau, DR.Cyril Chelle-Michou & DR.Michael Calder
A plate tectonic evolution of the Anti-Atlas on a global scale DR.Hervé Rezeau, DR.Cyril Chelle-Michou & DR.Michael Calder SEG Student Chapter of Geneva (Switzerland) SEG Student Chapter of Montpellier (France) In the western Maghreb, the Variscan (Hercynian) belt extends into the Meseta and Atlas do- mains, bei
Savoir plus...
A short overview of the Anti-Atlas, Morocco DR.Hervé Rezeau, DR.Cyril Chelle-Michou & DR.Michael Calder
A short overview of the Anti-Atlas, Morocco DR.Hervé Rezeau, DR.Cyril Chelle-Michou & DR.Michael Calder SEG Student Chapter of Geneva (Switzerland) SEG Student Chapter of Montpellier (France) INTRODUCTION Geology of Morocco has been subdivided into four structural domains, from north to south th
Savoir plus...
Context geoghraphique , geologique et hydrogeologique Professeur Bakkali Saad et Professeur Bouyalaoui Jaâfar Universidad de Guadalajara Guadalajara, México
Context geoghraphique , geologique et hydrogeologique Professeur Bakkali Saad et Professeur Bouyalaoui Jaâfar Universidad de Guadalajara Guadalajara, México La zone étudiée appartient géographiquement au massif de l’Anti-Atlas et spécialement à celui du Kerdous. Du fait de son enclavement, cette zone n’est malheureusement pas encore couverte par un plan de masse. Elle s&rsqu
Savoir plus...
STRUCTURAL EVOLUTION OF THE ANTI-ATLAS DOMAIN :AN OVERVIEW pour Yves Missenard
STRUCTURAL EVOLUTION OF THE ANTI-ATLAS DOMAIN :AN OVERVIEW pour Yves Missenard The Anti-Atlas represents the most important segments of the major Pan-African (≈0.5Ga) belt system of North Africa. This orogen exposed in a series of sporadic SW–NEtrending outcrops over 700km across southern Morocco, and re
Savoir plus...Dictionnaire scientifique
Plus de 123.000 mots scientifiques
Les publications
Géo parc Jbel Bani

Circuits & excursions touristiques

cartothéques


Photothéques
Publications & éditions

